
WSSX-411B可動螺紋徑向防爆電接點雙金屬溫度計簡介
雙金屬溫度計是用于測量中、低溫的現場檢測儀表,它具有易讀數,安全可靠,使用壽命長等優點,上海自動化儀表三廠生產的WSSX-411B可動螺紋徑向防爆電接點雙金屬溫度計帶有機械電接點,當被測介質溫度變化時,轉向機構帶動指針及指針上的觸點一起轉動,在刻度盤上指示對應溫度值的變化,當其與定觸點上下限、下下限或上上限接觸或斷開時,電路系統中的繼電器及接觸器隨之動作,已達到控制和報警的目的,它可以直接測量工業生產過程中-60℃~600℃范圍內的液體、氣體和蒸汽等介質的溫度。
WSSX-411B可動螺紋徑向防爆電接點雙金屬溫度計主要技術參數
◆測量范圍:-60~600℃
◆精度等級: 1.5級(可以做成1.0級)
◆觸點額定功率:10VA
◆接點最高工作電壓:AC380V或AC220V
◆接點最高工作電流:1A(無感負載)
◆工作電壓:15V~48V
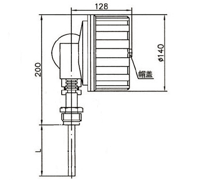
◆標度盤公稱直徑:140mm
◆插入深度:L=75~1200mm
◆保護管直徑:d=φ10(尾管長度75~1200mm)
◆保護管材質:不銹鋼304,321或其它
◆安裝螺紋:可動外螺紋M27*2其它請注明
◆響應時間:≤40S
◆使用環境溫度:室內-25~55℃;室外-40~85℃
◆相對濕度:5~100%
◆防爆等級:ExdIIBT4
◆防護等級:IP65
◆執行標準 JB/T8803-1998 GB3836-83
工作原理
雙金屬溫度計是利用兩種不同金屬的膨脹系數不同的原理而工作的。將雙金屬片繞制成螺旋管狀的一端被固定,另一自由端與指針連接,隨著溫度的變化而轉動,并帶動指針在表盤上顯示對應的溫度。
使用選型

選型舉例:
WSSX-411 表示表盤直徑Φ100mm的可動外螺紋連接,電接點徑向型雙金屬溫度計
WSSX-411B 表示表盤直徑Φ140mm的可動外螺紋連接,防爆電接點徑向型雙金屬溫度計
WSSX-481N 表示表盤直徑Φ100mm的可動外螺紋連接,耐震電接點萬向型雙金屬溫度計
另外還需要提供插深和使用溫度等參數
安裝圖片
◆WSSX-411B可動螺紋徑向防爆電接點雙金屬溫度計

◆電接點雙金屬溫度計觸點設定方式(上下限,上上限,下下限)



客服1